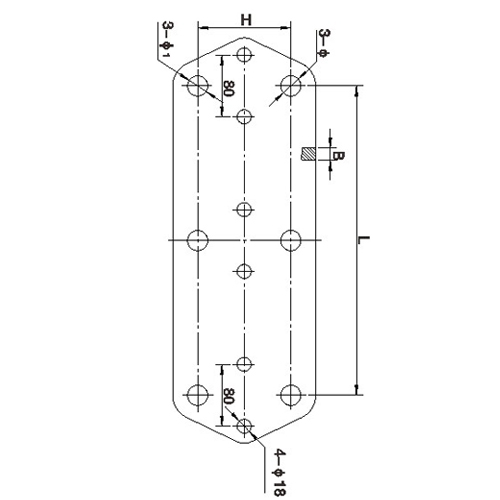
Plat Yoke LF Digunakan untuk Sambungan Konduktor
| taip | Dimensi | Beban Kegagalan Nominal | Berat (kg) | ||||
| B | Φ | H | L | ||||
| LF-2140 | 16 | 20 | 70 | 400 | 210 | 5.5 | |
| LF-2540 | 16 | 24 | 110 | 400 | 250 | 9.2 | |
| LF-3040 | 16 | 26 | 120 | 400 | 300 | 11.4 | |
| LF-3055 | 18 | 26 | 120 | 550 | 300 | 12.4 | |
| LF-4055 | 26 | 30 | 190 | 550 | 400 | 26.6 | |
| taip | Dimensi | Beban Kegagalan Nominal | Berat badan | ||||
| B | Φ | H | L | ||||
| LF-21-110/400 | 16 | 20 | 110 | 400 | 210 | 8.52 | |
| LF-21-120/450 | 16 | 20 | 120 | 450 | 210 | 10.13 | |
| LF-21-120/500 | 16 | 20 | 120 | 500 | 210 | 11.18 | |
| LF-21-120/600 | 16 | 20 | 120 | 600 | 210 | 13.29 | |
| LF-25-120/400 | 16 | 24 | 120 | 400 | 250 | 9.92 | |
| LF-25-120/450 | 16 | 24 | 120 | 450 | 250 | 11.05 | |
| LF-25-120/500 | 16 | 24 | 120 | 500 | 250 | 12.17 | |
| LF-25-120/600 | 16 | 24 | 120 | 600 | 250 | 14.43 | |
| LF-32-120/400 | 18 | 26 | 120 | 400 | 320 | 11.46 | |
| LF-32-120/500 | 18 | 26 | 120 | 500 | 320 | 14.05 | |
| LF-32-120/600 | 18 | 26 | 120 | 600 | 320 | 16.65 | |
| LF-42-120/500 | 20 | 26 | 120 | 500 | 420 | 15.62 | |
| LF-42-120/550 | 20 | 26 | 120 | 550 | 420 | 17.12 | |
| LF-42-120/600 | 20 | 26 | 120 | 600 | 420 | 18.5 | |
| LF-50-120/450 | 24 | 30 | 120 | 450 | 500 | 17.95 | |
| LF-64-120/450 | 28 | 33 | 120 | 450 | 640 | 22.57 | |
| LF-64-120/500 | 28 | 33 | 120 | 500 | 640 | 24.77 | |
| LF-64-120/550 | 28 | 33 | 120 | 550 | 640 | 26.97 | |
| Model Rangkaian Negeri | Dimensi | Beban Kegagalan Nominal | Berat badan | |||||
| B | Φ | Φ1 | H | L | ||||
| LF-32J-120/400 | 18 | 26 | 26 | 120 | 400 | 320 | 11.85 | |
| LF-42J-120/500 | 20 | 26 | 26 | 120 | 500 | 420 | 16.05 | |
| LF-64/42J-120/500 | 20 | 33 | 26 | 120 | 500 | 420 | 16.72 | |










